e77.cow乐彩
常州鹏展减速机械厂
(原常州江泰减速机械厂)
首页
关于我们
公司简介
厂貌实拍
荣誉资质
新闻资讯
公司新闻
行业资讯
e77.cow乐彩
减速机系列
搅拌机系列
机架、联轴器系列
其他成套产品及零配件
PE桶
R,K,S,F四大系列减速机
电机系列
刮泥机系列
刮渣机系列
过滤器系列
实拍产品
联系我们
13641502138
常州鹏展减速机械厂
首页
关于我们
新闻资讯
e77.cow乐彩
实拍产品
联系我们
当前位置:
首页
>
e77.cow乐彩
>
机架、联轴器系列
>
TJA型机架
e77.cow乐彩
减速机系列
BLD系列摆线减速机
BWD系列摆线减速机
F系列齿轮减速机
K系列齿轮减速机
MB系列无极变速器
RV系列铝合金涡轮减速机
R系列硬齿减速机
摆线针轮减速机-立式带接头(电机自配)
摆线针轮减速机-立式机带机架
摆线针轮减速机-立式双轴型
摆线针轮减速机-双级立式(带油泵)
摆线针轮减速机-双级卧式
摆线针轮减速机-卧式
摆线针轮减速机-卧式双轴型
齿轮减速机
关风机(也称卸灰阀、卸料器、下料机、卸料机等)
立式摆线针轮减速机
微型摆线针轮减速机系列-铝合金
涡轮减速机
摆线针轮减速机
齿轮减速电机
工业传动齿轮箱
行星减速机
喷灌机专用减速机
丝杆升降机
搅拌机系列
大型水处理搅拌机
各种搅拌桨叶
化工设备搅拌机
加药搅拌桶
加药装置搅拌机
可移动带升降搅拌小车
可移动式加药搅拌机(车)
框式搅拌机
潜水搅拌机、水下推进器
双层浆式搅拌机
水处理刮泥装置传动
小型加药搅拌机
小型搅拌机
粘稠液体高速搅拌机(器)
中型搅拌机
搅拌机械装置
机架、联轴器系列
DJ型机架
DXJ型机架
FZ型双支点方底板机架
JA型联轴器
JB型(79标)机架
JQ型夹壳联轴器
JXLD型机架
SJ型机架
TJA型机架
TJQ型机架
TJ型机架
XD型机架
其他成套产品及零配件
加药装置成套
减速机机座
PE桶
R,K,S,F四大系列减速机
电机系列
刮泥机系列
刮渣机系列
过滤器系列
焊割设备专用减速机
环保配件系列
环保设备类
搅拌机、搅拌器系列
撇油机系列
曝气机
气浮系列
水处理药剂
联系我们
佘雪梅 13641502138
常州市武进区牛塘镇湖滨南路93号
0
-
0
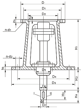
TJA型机架
产品概述
Product Overview
常州鹏展减速机械厂(原常州江泰减速机械厂)是生产各种传动减速机装置的专业工厂,本厂生产的摆线针轮减速机是采用行星式传动原理及摆线针齿齿合的新颖传动机械.广泛应用于冶金、矿山、起重、运输、石油、化工、纺织、制药、食品、轻工等工业部门的减速装置。
马上询价
尺寸见下表
TJA型非标
返回上一页
上一篇:没有了!
下一篇:没有了!
关于我们
公司简介
厂貌实拍
荣誉资质
新闻动态
公司新闻
行业资讯
产品分类
减速机系列
搅拌机系列
机架、联轴器系列
其他成套产品及零配件
PE桶
R,K,S,F四大系列减速机
服务热线
13641502138
官网二维码
微信二维码
Copyright © 2019 常州鹏展减速机械厂 常州江泰减速机械厂 版权所有 技术支持:
手机
短信
地图
祥顺彩票|主页
万彩网-欢迎光临
香港六玄开奖网-六玄网132432-六玄神马开奖44579-六玄公式6588777-六玄神马免费中特料-澳彩六玄网论坛6258cmcc
澳门灵蛇网4949-香港灵蛇网论坛资料大全最新-灵蛇网4846cc最新版本更新内容-灵蛇网4668cc-灵蛇澳门2025年今晚看
灵蛇澳门2025年今晚看-灵蛇网4846cc-灵蛇网免费资料大全--灵蛇网4846cc最新版本更新内容-澳门灵蛇网4949
welcome如意彩|首页