e77.cow乐彩e77.cow乐彩
联系我们
- 佘雪梅 13641502138
- 常州市武进区牛塘镇湖滨南路93号
侧入式搅拌机
产品概述 Product Overview
常州鹏展减速机械厂(原常州江泰减速机械厂)是生产各种传动减速机装置的专业工厂,本厂生产的摆线针轮减速机是采用行星式传动原理及摆线针齿齿合的新颖传动机械.广泛应用于冶金、矿山、起重、运输、石油、化工、纺织、制药、食品、轻工等工业部门的减速装置。
侧入式搅拌机
1.JBC侧入式搅拌机的概述
该机型采用螺旋锥齿斜齿轮减速机和窄V皮带作为动力根据国外产品改进设计的一种新颖搅拌机,具有结构紧凑、传动平稳、噪音低、效率高、承载能力高、组合性能好等特点。该机型适用于工作压力0-0.4MPa、工作温度≤110℃的搅拌作业场合。该机型常配用配用特殊的堵漏装置可以在不清空罐内液体情况下,更换轴封或拆卸减速机维护修理。一般无固体颗粒液体的搅拌密封有填料密封和机械密封两种,如液体中有固体颗粒,选用时请向本公司技术咨询。
根据不同的搅拌目的来配置如ZHX、TXR、GXR等不同形式的搅拌器叶轮,材质可分为碳钢、不锈钢等。主要用于重油、汽油等石油制品匀质搅拌和液体的混合、烟气脱硫中的防止固体沉降等搅拌,在大型储罐上联组使用,可以获得较好的搅拌效果和经济效益。
2.型号表示
JBC 500/TXR—300—Y5.5—S1
搅拌器材质代号
电机代号(Y、YB防爆、YVP变频、GMBL调速等)
搅拌机每分钟转速
搅拌器直径/形式
侧入搅拌机简称
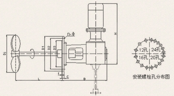
3.产品图样
窄V皮带传动侧入式搅拌机 齿轮传动侧入式搅拌机
窄V皮带传动侧入式搅拌机 齿轮传动侧入式搅拌机

螺旋锥齿轮传动侧入式搅拌机 平行轴齿轮传动侧入式搅拌机
4.JBC系列齿轮传动侧入式搅拌机的选型及主要参数


| 型号 | 功率 | 转速 | 安装尺寸 | 搅拌容积 | |||||||||
| JBC | KW | r/min | Dj | D1 | D2 | D3 | C | F | n-Ø | L | B | H | M³ |
| 1 | 0.75 | 220 | 200 | 395 | 350 | 290 | 18 | 5 | 12-18 | 500 | 520 | 770 | 5-15 |
| 2 | 1.5 | 240 | 300 | 540 | 495 | 463 | 28 | 5 | 16-22 | 600 | 560 | 820 | 15-30 |
| 3 | 4 | 300 | 400 | 540 | 495 | 463 | 28 | 5 | 16-22 | 600 | 560 | 840 | 40-80 |
| 4 | 5.5 | 215 | 500 | 755 | 705 | 667 | 36 | 5 | 20-26 | 750 | 650 | 965 | 50-100 |
| 5 | 7.5 | 300 | 500 | 645 | 600 | 568 | 32 | 5 | 20-22 | 625 | 650 | 965 | 80-150 |
| 6 | 11 | 250 | 600 | 755 | 705 | 667 | 36 | 5 | 20-26 | 750 | 750 | 1150 | 150-250 |
| 7 | 15 | 220 | 700 | 860 | 810 | 772 | 40 | 8 | 24-26 | 880 | 800 | 1220 | 200-300 |


| 型号 | 功率 | 转速 | 安装尺寸 | 搅拌容积 | ||||||||
| JBC | KW | r/min | Dj | D1 | D2 | D3 | C | F | n-Ø | L | B | M³ |
| 1 | 0.75 | 200-500 | 200-350 | 395 | 350 | 290 | 18 | 5 | 12-18 | 500 | 520 | 5-15 |
| 2 | 1.5 | 200-500 | 300-400 | 540 | 495 | 463 | 28 | 5 | 16-22 | 600 | 560 | 15-30 |
| 3 | 4 | 200-500 | 350-450 | 540 | 495 | 463 | 28 | 5 | 16-22 | 600 | 560 | 40-80 |
| 4 | 5.5 | 200-500 | 350-500 | 755 | 705 | 667 | 36 | 5 | 20-26 | 750 | 650 | 50-100 |
| 5 | 7.5 | 200-500 | 300-550 | 645 | 600 | 568 | 32 | 5 | 20-22 | 625 | 650 | 80-150 |
| 6 | 11 | 200-500 | 400-600 | 755 | 705 | 667 | 36 | 5 | 20-26 | 750 | 750 | 150-250 |
| 7 | 15 | 200-500 | 500-650 | 860 | 810 | 772 | 40 | 8 | 24-26 | 810 | 800 | 200-300 |







